Login
Registrierung
Passwort vergessen
Warenkorb - 1
Logo
Zurück zum Shop
  • Startseite
  • Fräsen
    • HPC-VHM Fräser
    • Wendeplattenfräser
      • Wendeplatten-Schaftfräser
      • Messerköpfe
    • VHM-Schruppfräser
    • Fräswendeplatten
    • Fasenfräser
    • VHM Schaftfräser
  • Drehen
    • Außendrehhalter
      • Drehhalter S-System
      • Drehklemmhalter P-System
    • Innendrehhalter
      • Drehhalter S-System
      • Drehhalter P-System
    • Drehwendeplatten
      • positive Wendeschneidplatten
      • negative Wendeschneidplatten
    • Stechen
      • Aussenstechen
    • Gewindedrehen
      • Aussengewinde
      • Innengewinde
  • Bohren
    • VHM Bohrer 3D
    • VHM Bohrer 5D
    • Wendeplattenbohrer
      • Wendeplattenbohrer 2xD
      • Wendeplattenbohrer 3xD
      • Wendeplattenbohrer 4xD
      • Wendeplattenbohrer 5xD
      • VDI-Direkt Wendeplattenbohrer
        • VDI30 Direktaufnahme
        • VDI40 Direktaufnahme
    • Bohrwendeplatten
    • HSSCo8 Bohrer
    • Kegelsenker
    • Zentrier-und Anbohrer
    • Reibahlen
    • Gewindebohrer und -former
  • Werkzeugspannung
    • Anzugsbolzen
    • Werkzeugaufnahmen DIN69872
    • ER Spannzangen
    • VDI-Halter DIN69880
    • HSK63A-Aufnahmen
  • Werkstückspannung
    • Druckspannzangen
    • Parallelunterlagen
  • Sägen
    • Metall-Bandsägebänder
  • Verschiedenes
    • Öl-Bandskimmer
    • Emulsionsmischer
    • Handwerkzeuge
  • Abverkauf
  • Kontakt
Neu im Shop
  • Zwischenhlse
    Zwischenhülse
    ab 22,95 €
  • Messerkopfaufnahme
    Messerkopfaufnahme
    ab 28,35 €
  • Hochleistungs-Gewindeformer-fr--Nichteisen-Werkstoffe
    Hochleistungs Gewindeformer für Nichteisen Werkstoffe
    ab 13,40 €
  • Hochleistungs-Gewindeformer-fr-universellen-Einsatz-in-Stahl--VA--und-Nichteisen-Werkstoffen
    Hochleistungs Gewindeformer für universellen Einsatz in Stahl-, VA -und Nichteisen-Werkstoffen
    ab 15,57 €
  • VHM-Kugelfrser
    VHM Kugelfräser
    ab 8,20 €
Artikelsuche
  1. Bohren
  2. Wendeplattenbohrer
  3. Wendeplattenbohrer 4xD
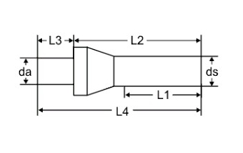
Bild 1 von Wendeplattenbohrer 4xD  / (Größe) Ø23,5 mm x 4D
Bild 1 von Wendeplattenbohrer 4xD  / (Größe) Ø23,5 mm x 4D
Bild 2 von Wendeplattenbohrer 4xD  / (Größe) Ø23,5 mm x 4D

Wendeplattenbohrer 4xD / (Größe) Ø23,5 mm x 4D

Artikel-Nr.: EP-TUM23,5_4D-W

Andere Ausführungen:
Größe:
Ø16,0 mm x4D
Ø16,5 mm x 4D
Ø17,0 mm x 4D
Ø17,5 mm x 4D
Ø18,0 mm x 4D
Ø18,5 mm x 4D
Ø19,0 mm x 4D
Ø19,5 mm x 4D
Ø20,0 mm x 4D
Ø20,5 mm x 4D
Ø21,0 mm x 4D
Ø21,5 mm x 4D
Ø22,0 mm x 4D
Ø22,5 mm x 4D
Ø23,0 mm x 4D
Ø23,5 mm x 4D
Ø24,0 mm x 4D
Ø24,5 mm x 4D
Ø25,0 mm x 4D
Ø25,5 mm x 4D
Ø28,0 mm x 4D
Ø28,5 mm x 4D
Ø29,0 mm x 4D
Ø30,0 mm x 4D
Ø32,0 mm x 4D
Ø35,0 mm x 4D
Ø36,0 mm x 4D
Ø38,0 mm x 4D
Ø39,0 mm x 4D
Ø40,0 mm x 4D
139,90 €


zzgl. 19,00 % MwSt., zzgl. Versandkosten
Verfügbare Menge: 1 Stück
Lieferzeit: 1 bis 3 Tage

  • Bewertungen
    Neue Bewertung abgeben
    Um eine Bewertung zu verfassen müssen Sie registriert und eingeloggt sein.

  • Hersteller
Ähnliche Produkte:
  • Wendeplattenbohrer 4xD

    Wendeplattenbohrer 4xD

    ab 134,90 €

Rechtliches

AGB
Impressum
Datenschutz
Cookieeinstellungen
Zahlung und Versand

Zahlungsmöglichkeiten

Auf Rechnung
Powered by Serverspot.de

  • Link in neuem Tab öffnen
  • Link in neuem Fenster öffnen
Datenschutzeinstellungen

Dieser Shop verwendet Cookies. Einige von ihnen sind essenziell (z.B. für den Warenkorb), während andere verwendet werden, um diesen Shop und Ihre Erfahrung zu verbessern.

Essenziell
  • Shopsystem
    Anbieter: Keine Übermittlung an Drittanbieter
    Zweck: Cookie zur Sicherstellung der Funktionsfähigkeit des Onlineshops und des Warenkorbs
    Datenschutz: https://www.enpro-shop.de/content/datenschutz
    Cookiename: cct, PHPSESSID
    Lebensdauer: Dauer der Sitzung bis 1 Stunde
Statistik
  • Matomo Besucherstatistik
    Anbieter: lokale Installation - Keine Übermittlung an Drittanbieter
    Zweck: Optimierung der Seitengestaltung
    Datenschutz: https://www.enpro-shop.de/content/datenschutz
    Cookiename: _pk_ref, _pk_cvar, _pk_id, _pk_ses
    Lebensdauer: Dauer der Sitzung bis 1 Jahr
Impressum | Datenschutz